スパイス棚のファン

HOME | 建材 | 換気システム | スパイス棚のファン

Kryddhyllefläkt

レンジフード兼用の換気ユニット

 
集合住宅の換気ユニット

 
スウェーデンにおいて1980年から1990年代に建築された戸建や集合住宅では、「Kryddhyllefläkt」と呼ばれる換気ユニットが多用されてます。直訳すると、「Krydd」は、スパイス(香辛料)、「hylle」棚、「fläkt」換気ファンの意味です。この換気ユニットが、キッチンコンロ上部のスパイス(調味料)棚に設置されていた事から、「スパイス棚のファン」呼ばれています。
 
当時すでに、高断熱・高気密仕様の住宅であったスウェーデンで、換気システムの設置は必須で、トイレやバスルームから換気ファン(送風機)で強制排気し、屋内が負圧になる事で、外気が自然に給気される第3種換気システムでした。
 
これに対し、屋外への排気といえば、キッチンのレンジフード、必ず必要なものでしたが、実は、レンジフードの排気風量と、住宅換気での排気風量は、同じくらいなのです。そこで考案されたのがレンジフード兼用の住宅換気ユニットで、初期コストの抑制やメンテナンスの利便性、そして個々に対応できることから、主に集合住宅(アパートやマンション)で導入されたという経緯です。
 
このタイプは、当時、日本で建築されたスウェーデン住宅にも導入され、レンジフード兼用だけでなく、単独の住宅換気システムとしても使われています。

レンジフード兼用の住宅換気システム
 
Kryddhyllefläkt Frånluftssystem / Systemair Essvent (Villavent)
キッチン扉奥の換気ユニット
収納扉の奥に隠れている換気ユニット(コンロ上部)
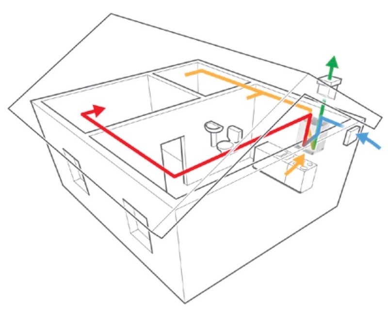
住宅とレンジフードの排気
A:室内から・B:屋外へ・C:レンジフードから
キッチンキャビネット内部の換気ユニット
キャビネット内部に設置された換気ユニット

システムの仕組み

 
一般的な住宅(第3種換気システム)では、トレイやバスルームから換気ファンで常時強制排気、レンジフードは使用時のみ排気しています。それぞれ個別の排気ファンで、同時使用時は、排気風量が多くなります。これに伴い自然と給気風量も増えます。
 
これに対し、レンジフード兼用ユニットでは、換気ファンは1個で、通常は住宅の常時強制排気ですが、レンジフード使用時は、切替で住宅の排気は停止、キッチンの排気が作動します。屋内負圧状態は変わらないので、ショートカットになって給気バランスは崩れますが、キッチン付近から外気の給気量は保たれます。ただし、この間、トイレやバスルームの排気は停止してしまいます。

住宅の第3種換気システム
一般的な第3種換気システム
住宅換気とレンジフードそれぞれ個別の換気ファン
レンジフード使用時は、排気と給気風量が増加
レンジフード兼用の換気システム
レンジフード兼用換気システム
青:自然給気(外気)・黄:強制排気・緑:屋外へ排気
1台の換気ファンを切替で両方の排気を賄う

レンジフード兼用換気ユニット

 
換気ユニット内部に排気ファン(シロッコファン)が1台内蔵されており、左上が室内からの排気接続管(A)、右上が屋外への排気接続間(B)です。熱交換はされません。右側面にあるのがレンジフードへの接続管(C)です。レンジフード電源を入れると、ダンパーが作動して、「AからB」の排気の流れを、「CからB」への流れと切替わる仕組みです。
 
「C」に蓋をして使わず、「A」と「B」だけで住宅の第3種換気システムとして機能します。設置場所はキッチンのコンロ上部でなくても、屋根裏部屋など場所を選びません。

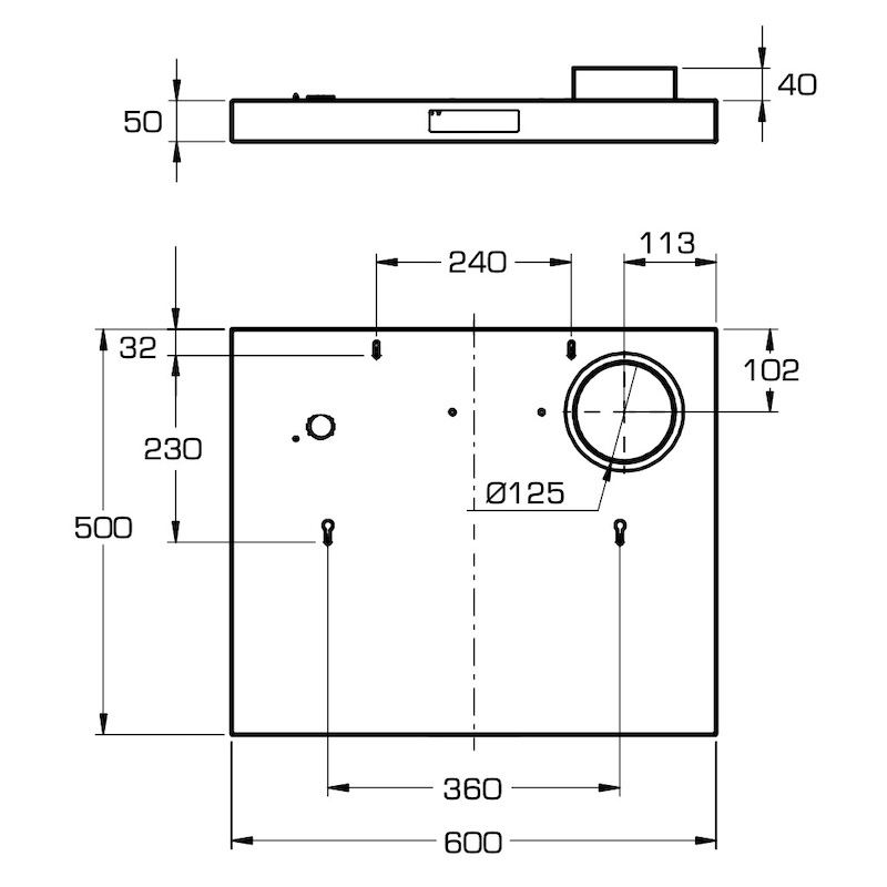
Systemair Essvent (Villavent)
旧モデル(新型モデルへの交換は こちら
換気ユニットのサイズ-ESSVENT
上面:室内から排気 / 屋外へ排気(管径125mm)
側面:レンジフードから排気(管径125mm)

専用レンジフード

 
専用レンジフードに排気ファンは内蔵されません。油脂除去フィルターと電源風量スイッチのみです。レンジフード兼用換気ユニットに接続すると、連動して使用する事ができます。
 
スウェーデン本国には、旧型モデルのフィルターや換気ファン、後継新型モデル等がラインナップされてます。交換をご希望の方は、まずはお問い合わせ下さい。これまで様々な部品交換実績があります。
 
換気部品等の確認依頼

 
スウェーデン製レンジフード-enessen
専用レンジフード
 
Spiskåpa / enessen
Systemair Essvent (Villavent)
旧モデル(後継新型モデル有)
レンジフードのサイズ-enessen

Kryddhylleaggregat

レンジフード兼用の熱交換気ユニット

 
熱交換型の換気ユニット

 
「Kryddhyllefläkt」が換気ファンだけの第3種換気システムに対して、熱交換機も搭載している第1種換気システムが、「Kryddhylleaggregat」となります。直訳すると、「Krydd」は、スパイス(香辛料)、「hylle」棚、「aggregat」装置の意味です。設置場所は同じく、キッチンコンロ上部のスパイス(調味料)棚で、基本的なメカニズムは同じです。室内からの排気熱を回収できる熱交換型の換気ユニットとなります。
 
熱交換型の第1種換気システムなので、送風機(シロッコファン)は2つ、給気用と排気用とがあります。もちろん専用高性能フィルターがそれぞれ装着されます。定期的なクリーニングやメンテナンスが必要なので、キッチンにあって、しかも扉を開ければ、すぐに内部が見れるのは合理的な装置です。デメリットとしては、集合住宅や小さな戸建など、床面積が130m2程度まで、レンジフード使用時は、やはり屋内排気(トレイやバスルームなど)が一時的ですが、停止してしまう事です。
 
しかしながら、1ヶ所でコンパクトにまとめられて、コストも抑えられる事から、今でも現役モデルの一つとして活躍しています。

FTX System Fläkt Group
 
FTX-system Lägenhet / Fläkt Group
 
熱交換型換気システムのダクト

 

(青色)Uteluft :新鮮外気(U)
(赤色)Tilluft   :室内への給気(T)
(黄色)Frånluft:室内からの排気(F)
(緑色)Avluft :屋外への排気(A)

 
キッチンのコンロ上部に内蔵される熱交換型の換気ユニット。通常は住宅の換気を、レンジフード使用時のみ、調理コンロからの排気を担う。
 
キッチン扉で覆えば換気扇や換気ユニットが隠れたインテリアに。そのままでも使えるデザイン。
 
VTR-100B CookerHood-Slimline / Systemair

熱交換型の換気ユニット-VTR-100B

FTX Aggregat

 
スウェーデンでは熱交換型の換気ユニットを「FTX Aggregat」と呼びます。「F=Frånluft(排気)」、「T=Tilluft(給気)」、「X=VärmeväXlare(熱交換)」の意味で、「Aggregat」は装置です。
 
給気と排気は混ざる事なく熱だけ交換されます。例えば、対流型の熱交換機では、マイナス10℃の新鮮外気を、23℃の室内からの排気熱を使って、18℃にまで温めて室内へ給気する事ができます。
 
熱交換機を通さない場合は、マイナス10℃の新鮮外気をそのまま室内へ給気、23℃の室内からの排気熱も、そのまま屋外へ捨ててしまいます。住宅の一般的な換気回数は、0.5回/時、つまり、2時間に1回の割合で、室内の空気と外気とを交換する事を考えると、いかに省エネであるか理解できます。

 
 
熱交換機 フレクト社製
Motströmsvärmeväxlaren / Fläkt Group
レンジフード兼用熱交換機
レンジフード兼用
床面積:130m2未満
室内設置の熱交換機
室内設置(レンジフード個別)
床面積:280m2未満
屋根裏設置の熱交換機
屋根裏設置(レンジフード個別)
床面積:500m2未満

Mini Master

 
レンジフード兼用の熱交換型換気ユニット。通常は住宅の第1種換気システムとして、レンジフード使用時は、調理コンロからの排気を賄えるモデル。
 
熱交換効率:83 %(最大)
最大風量:234 m3/h(65 L/s)
住宅:130m2程度まで
接続配管:直径125(100)mm
ヒーター&排気切替ダンパー付

フレクト社製ミニマスターRDKS
 
フレクト社製ミニマスターRDKS-サイズ
 
フレクト社製 RDKS(右モデル)

メンテナンス

 
換気ユニットのフロント扉を開けると、第1種換気に必要な給気ファン、排気ファンが配置されてます。それぞれ専用の給気フィルター、排気フィルターが装着されます。それぞれの部品はスライド式で交換可能な構造となっています。熱交換機も引き出して掃除する事ができます(水洗浄不可)。
 
スウェーデン本国には、旧型モデルのフィルターや換気ファン、後継新型モデル等がラインナップされてます。交換をご希望の方は、まずはお問い合わせ下さい。これまで様々な部品交換実績があります。
 
換気部品等の確認依頼

熱交換型換気ユニットの内部

 

1/2/3.  外気/排気/給気温度センサー 
4/12.  アフターヒーター/ヒーター
5/13.  排気/給気ファン
6/10.  熱交換機/熱回収モーター
7/11.  給気/排気フィルター
8. 制御盤
9. 側板

レンジフードを下部に接続

専用レンジフード

 
熱交換型の換気ユニットの下部には、専用のレンジフードを接続できます。レンジフードに排気ファンは内蔵されません。油脂除去フィルターと電源風量スイッチのみです。
 
スイッチをONにすると、換気ユニット内のダンパーが作動し、トイレやバスルームからの排気を遮断、代わりにレンジフードからの排気へと切替ります。この排気は熱交換機を通らないので、熱交換素子を油脂などで汚すリスクはありません。

熱交換型の換気ユニットと専用レンジフード

 

専用レンジフードのサイズ

住宅の換気風量バランス

 
キッチンのレンジフードによる排気風量は、住宅の換気風量に匹敵する程多く、そのまま使用すると、現代の高断熱・高気密仕様の省エネ住宅では、室内圧力が急激に下がって負圧となり住宅の換気風量バランスが崩れてしまいます。
 
そこで、このようなレンジフード兼用の住宅換気ユニット「Kryddhyllefläkt」が当時開発されました。レンジフード使用時のみ排気ルートを替える事で、住宅全体としての換気風量バランスは保たれます。進化版が熱交換型の換気ユニット「Kryddhylleaggregat」です。
 
共に合理的な換気ユニットなのですが、レンジフード使用時は、屋内その他からの排気が停止してしまう事、風量の大きな排気ファンの装着に不向きな事から、その使用範囲は、集合住宅や小規模住宅となっています。

住宅の排気とキッチンフードの排気
FTX System / Fläkt Group
レンジフードで室内負圧
レンジフード個別
強制排気で屋内負圧
住宅の排気を抑制
熱交換型換気との連動
屋内その他の排気量を抑制
住宅の給気を拡大
熱交換型換気との連動
外気からの給気量を拡大
キッチンへ排気をリターン
キッチンへ排気をリターン
高性能フィルター併用

スタイリッシュな北欧デザイン

 
現代の省エネ住宅は、熱交換型の第1種換気システムを搭載しています。北欧のスタイリッシュなレンジフードには強力排気ファンが内蔵されてますが、熱交換型の換気システムと連動して、使用時は住宅の排気量を抑えたり、給気量を増やしたりする事で、住宅の換気風量バランスを保っています。高性能フィルターを併用してキッチンへリターンさせる(排気を戻す)選択肢もあります。
 
高性能フィルターを使えば、レンジフードを住宅の換気システムへ直に接続する事も可能ですが、調理コンロから油脂が僅かでも熱交換素子の性能と耐久劣化の原因となるためスウェーデン本国では推奨されていません。
 
排気ファンもレンジフード内部ではなく、小屋裏や屋根煙突設置の外部モーター仕様もあります。大きな排気風量を騒音少なく、より軽快に・・・北欧のレンジフードは進化し続けています。

 
スタイリッシュなレンジフード
Derby Frihängande / Thermex
レンジフードと熱交換型換気システムの連動
Thermex Pro Link Premium
レンジフードと熱交換型換気システムの連動
高性能フィルター「Plasmex」で排気をリターン
Thermex Plasmex Hybridlösning
高性能フィルター「Plasmex」で排気をリターン